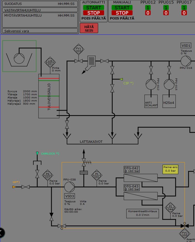
I coded UI for water cleaning system which had system monitoring and controlling
Developed and currently maintenancing mobile and web app for digitalizing documents. My responsibility is back-end and serverside with .NET CORE
Practise goal was to do a gambling like site where you can try your luck.
Username: joose Password: toose
Our project course team sites with documentation of assignment.
Link to my C# course GitLab repository.
Recognizing hand written numbers with TensorFlow
Game programming course pahser practise. Not yet complited, but playable! So try it out!
Check my CV from here!